SKU: SS.PFL-5
SSPFL-5 Pressed Stainless Steel 2 Bolt Oval Bearing Housing for SA and SB 205 Inserts
- Regular price
- €13.93 ex VAT
- Sale price
- €13,93
- Regular price
-
ex VAT
In stock
Quantity Price Breaks
3
€12.40
5
€11.70
9
€11.56
19
€11.42
49
€11.28
74
€11.14
99
€10.45
199
€10.31
249
€10.17
499
€10.03
999
€9.75
Description
2 Bolt Oval Pressed Stainless Steel Bearing Housings: These housings are a simple economical housed housing solution. Designed for light to medium duty applications they can be bolted to sheet metal frameworks or even timber if required.
Insert are NOT supplied with this housing.
Benefits: Cost effective housing
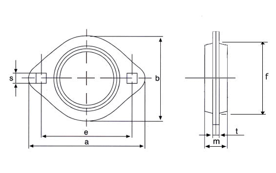
Technical
| a | = | 95mm |
| e | = | 76mm |
| b | = | 71mm |
| m | = | 18mm |
| s | = | 9mm |
| t | = | 4mm |
| f | = | 60mm |
| Weight | = | 0.28kg |
Downloads
Reviews